概要
建物入口の 浸水対策 として使用します。
防災製品によくある、普段の保管場所問題、使用時にどこにしまったか迷う問題を解決するコンセプトで開発した商品です。
※公益財団法人 日本下水道新技術機構
『下水道施設の耐水化計画および対策立案に関する手引き』P226掲載
ボックスタイプなので、収納やプランター、傘立てやベンチなど、入口の近くで普段使いが可能です。


特長
普段使いしながら災害に備えることができます
保管や探す必要がありません
工事不要で置くだけです
このような時に
簡単に設置できるものが欲しい
保管場所が無い
いざという時探せるか不安
使い捨てではなく何度も使用できるものが欲しい
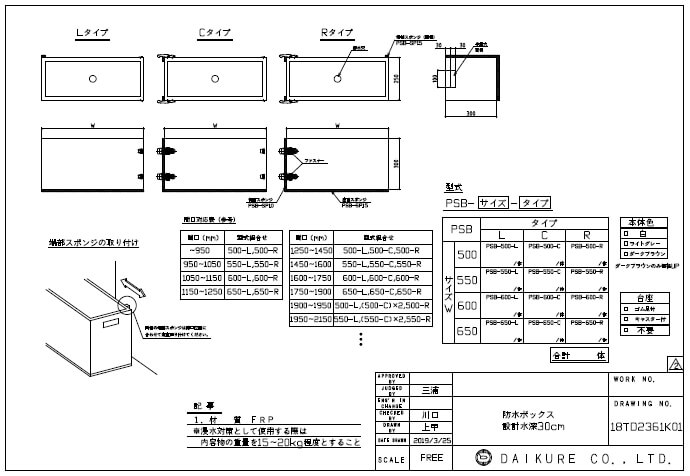
仕様


【用品オプション】 
選び方
設置する入口の間口寸法より組み合わせを決定します。

実験動画
社内浸水試験にて、製品の防水性能を確認しております
(試験結果は壁面及び底面の凹凸により異なります)
【漏水試験結果】

※ 浸水防止設備の技術評価より引用
((一財)建材試験センター 中央試験所)
(止水板の漏水量は普及型等級の数値)
設置例
-

プランタータイプ
-

ウッドケース
-

ベンチタイプ
-

ベンチ使用
-

傘立てタイプ
-

ボックスタイプ
-

台座
-

防水ボックス
使用上の注意事項
ご購入の際は必ずご覧ください
本品は簡易的な水害対策商品ですので完全な止水はできません。
また、万が一浸水被害等が生じた場合に補償は致しかねますのでご了承ください。
止水時はボックスの流失を防ぐ為、重量が15~20kg程度になるように鉢や底石・おもりを入れてご使用ください。
止水時は底面のスポンジを地面に当て、側面のスポンジをたて枠などの所定の位置に合わせてご使用ください。
スポンジは消耗品です、劣化した場合は貼り換えてください。貼り換え用にスポンジ単体を別途販売しております。
建物に水勾配がある場合は、下図のように端部スポンジと接触部に生じる隙間が6mm以下であることをご確認ください。

底面の止水スポンジの型崩れを防ぐ為、平常時は底面を浮かせてご使用ください。
その際、専用台座または市販のコンクリートブロックやレンガ等をご利用ください。
止水時にボックスを並べる際には設置場所付近を掃除し、石や砂、ゴミがない状態で使用してください。
ボックスの底面に穴が開いておりますが、テープ等で塞がないようにしてください。
また、止水時にはボックス内に水が流入します。
よくあるご質問(FAQ)について
浸水想定区域などの確認方法を教えて欲しい。
お住いの自治体が公開しているハザードマップや重ねるハザードマップ などで確認が可能です。
再利用(複数回使用)可能ですか?
再利用可能です。
但し、スポンジは消耗品です、劣化した場合は貼り換えてください。
貼り換え用にスポンジ単体を別途販売しております。
使用時何kgの重さが必要ですか?
止水時はボックスの流失を防ぐ為、重量が15~20kg程度になるように鉢や底石・おもりを入れてご使用ください。
止水ボックスの中には18㍑ポリタンクが入るので、そのまま重りにすることができます。
対応できる水位を教えて欲しい。
製品の高さ300mmまでとなります。
完全防水ですか?
いいえ、土のうと同じ、初期水害対策品になります。
浸水被害に対する補償などはいたしかねます。
性能を上回る水量は、別手段を講じるか、避難をお願いいたします。
土のうよりどの程度性能が良いですか?
止水性能は土のうより30倍となります。
※「防水ボックスの実験動画」参照下さい。
素材を教えて欲しい。
FRP製です。
自治体の補助について教えて欲しい。
防災製品設置に対し費用の一部を助成する自治体があります。
自治体のホームページで条件など確認されるのをお薦めします。







