概要
地下街や地下鉄の入り口に多数設置されている脱着式の防水扉を、もっと楽々と、もっと軽々と簡単に設置したいが止水性能は優れたものが欲しい。
そんなご要望に応えるのがFRP製防水扉の らくかるボード です。
らくかるボードは、弊社のAQUADEFENSERRシリーズです。
※公益財団法人 日本下水道新技術機構
『下水道施設の耐水化計画および対策立案に関する手引き』P242掲載
特長
誰でも簡単取付
FRPボードの採用で「らくらく」持ち運びできます
ハンドル操作だけで止水が完了

ほとんどの場所に設置可能


3種の枠形状でさまざまな躯体に対応可
D型(2方枠タイプ)
床の工事ができにくい場所に 側枠のみで対応
DF型(2方+底枠タイプ)
床にフラットな枠を設置、カバーを開けずに設置可能
T型(3方枠タイプ)
高水位や、耐荷重が大きい場所に対応

適用範囲
有効幅 0.5m~8.0m
止水高 0.25m~0.8m
0.8m以上は高水位型支柱で対応
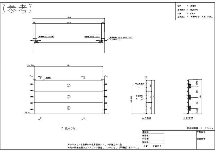
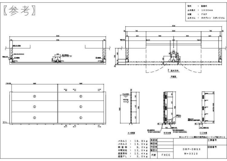
仕様



試験画像
水槽での試験ではJISA4761 Ws-3相当 0.02m3/h・m2をクリア


施工例
注意事項
ご購入の際は必ずご覧ください
≪安全のために≫
取扱説明書をよくお読みいただきご使用下さい。
お客様による分解改造はおやめください。漏水の原因となります。
防水板作動中は、本体の上に載ったり跨いだりしないでください。
扉体に衝撃を与えたり、落下させると破損します。
締め付けハンドルに強い力をかけると故障の原因となります。
扉体保管時は、止水ゴムが床に触れないようにして下さい。
よくあるご質問(FAQ)について
どのような場所に設置できますか?
新設、既設の住居、集合住宅、商業施設、地下駐車場・・・
さまざまな場所、躯体に対応可能です。
FRP製扉は寒冷地でも使用可能ですか?
はい、ご使用いただけます。
低温特性に優れ、-25℃の環境でも止水性能は変わりませんでした。
冷凍倉庫でも実績があります。
設置目安開口寸法を教えて欲しい。
300㎜~8000㎜が目安となります。
開口が広い時は中間支柱を使用しますが工具1本で脱着可能です。
海沿いでも使えますか?
はい、FRP製なのでご使用いただけます。
港湾施設でも実績があります。

対応できる水位を教えて欲しい。
標準的には800㎜までですが、設計により1.7mまで実績あります。

FRP製扉は導電性もありますか?
ありません。
変電所などの施設でも実績があります。
素材を教えて欲しい。
扉は ガラス繊維強化プラスチック(FRP)製
枠は ステンレスSUS304
完全防水ですか?
いいえ、土のうと同じ、初期水害対策品になります。
浸水被害に対する補償などはいたしかねます。
性能を上回る水量は、別手段を講じるか、避難をお願い致します。
保管方法を教えて欲しい。
ゴムの劣化を避けるため屋内での保管をお薦めします。
収納箱(オプション)をご用意できます。
自治体の補助について教えて欲しい。
防災製品設置に対し費用の一部を助成する自治体があります。
自治体のホームページで条件など確認されるのをお薦めします。









