どこに据え置くかお選びください
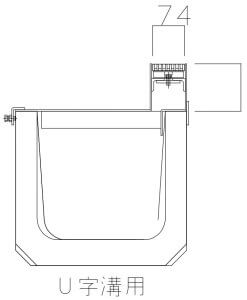
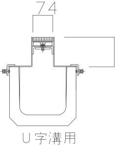
U字溝設置型

U字溝の上に置くタイプです。
U字溝に接続する桝に桝蓋タイプを使用することで桝蓋のスリット目地を合わせることができます。
掃除口蓋タイプを使用することでU字溝の清掃を行うことができます。
スリット位置が、敷地境界際に設置できるサイドと、両サイドに充填材を敷設できるセンターがお選びいただけます。
【早見表】
| 種別 | スリット 位置 |
タイプ | 本体 | 枠 | スリット 幅 |
型式 | カタログ 掲載ページ |
|
|
サイド (境界型) |
U字溝用ボルト固定 | スチール | スチール | 74mm | RS-UAS | 9-6 |
| 桝蓋 | RS-DAS | 9-7 | |||||
| 掃除口蓋 | RS-CAS | 9-7 | |||||
| U字溝用ボルト固定 | ステンレス | スチール + SUS目地 |
74mm | RS-UBS | 9-10 | ||
| 桝蓋 | RS-DBS | 9-11 | |||||
| 掃除口蓋 | RS-CBS | 9-11 | |||||
| U字溝用ボルト固定 | ステンレス | ステンレス | 74mm | RS-UCS | 9-14 | ||
| 桝蓋 | RS-DCS | 9-15 | |||||
| 掃除口蓋 | RS-CCS | 9-15 | |||||
| センター | U字溝用ボルト固定 | スチール | スチール | 74mm | RS-UAC | 9-8 | |
| 桝蓋 | RS-DAC | 9-9 | |||||
| 掃除口蓋 | RS-CAC | 9-9 | |||||
| U字溝用ボルト固定 | ステンレス | スチール + SUS目地 |
74mm | RS-UBC | 9-12 | ||
| 桝蓋 | RS-DBC | 9-13 | |||||
| 掃除口蓋 | RS-CBC | 9-13 | |||||
| U字溝用ボルト固定 | ステンレス | ステンレス | 74mm | RS-UCC | 9-16 | ||
| 桝蓋 | RS-DCC | 9-17 | |||||
| 掃除口蓋 | RS-CCC | 9-17 | |||||
|
細溝タイプ |
サイド (境界型) |
U字溝用ボルト固定 | スチール | スチール | 30mm | RS-UAS-S | 9-2 |
| 桝蓋 | RS-DAS-S | 9-3 | |||||
| 掃除口蓋 | RS-CAS-S | 9-3 | |||||
| U字溝用ボルト固定 | ステンレス | スチール + SUS目地 |
RS-UBS-S | 9-4 | |||
| 桝蓋 | RS-DBS-S | 9-5 | |||||
| 掃除口蓋 | RS-CBS-S | 9-5 |
※枠の素材がスチールは最も競争力に優れ、ステンレスは最もハイスペック、SUS目地は最もコストパフォーマンスに優れます。
スリムレインシューター
スリムレインシューターはスリット部が取り外し可能なグレーチングタイプです。
サイドスリット

U字溝ボルト固定タイプ サイドスリット

桝蓋タイプ サイドスリット

掃除口蓋タイプ サイドスリット
センタースリット

U字溝ボルト固定タイプ センタースリット

桝蓋タイプ センタースリット

掃除口蓋タイプ センタースリット
スマートレインシューター
スマートレインシューターはスリット幅30mmの細溝スリットタイプです。

U字溝ボルト固定タイプ サイドスリット

桝蓋タイプ サイドスリット

掃除口蓋タイプ サイドスリット
円形水路設置型

円形水路の上に置くタイプです。
円形水路に接続する桝には桝蓋タイプを使用ください。
【早見表】
| 種別 | スリット 位置 |
タイプ | 本体 | 枠 | スリット 幅 |
型式 | カタログ 掲載ページ |
|
|
センター | 円形水路用ボルト固定 | スチール | スチール | 74mm | RS-WA | 9-8 |
| 円形水路用ボルト固定 | ステンレス | スチール + SUS目地 |
74mm | RS-WB | 9-12 | ||
| 円形水路用ボルト固定 | ステンレス | ステンレス | 74mm | RS-WC | 9-16 |
※枠の素材がスチールは最も競争力に優れ、ステンレスは最もハイスペック、SUS目地は最もコストパフォーマンスに優れます。
スリムレインシューター
スリムレインシューターはスリット部が取り外し可能なグレーチングタイプです。

円形水路ボルト固定タイプ


